Cyber Essentials Certified
   

Compression Molding

Molding Capabilities
Custom Compounding
Molding Technologies
MATERIALS
Download Brochure
Literature Download
Request a Quote
 

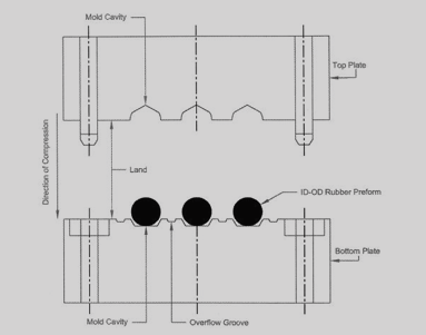
Compression molding is a highly efficient and cost effective technique. Simply put, rubber material is placed into each cavity of an open mold that has been pre-heated to the temperature necessary to achieve vulcanization. The mold is then closed, usually under hydraulic pressure, until the rubber is forced completely into the mold cavities. Any overflow is captured in specially designed channels called “flash grooves.” When vulcanization is complete, the mold is opened, parts are removed, and the process is repeated.

The cost advantage of compression molding lies in the fact that molds are relatively inexpensive to produce and high throughputs can be achieved by the combination of high cavity density and low changeover times. A major downside to compression molding is flash, which can be difficult to control if not properly monitored. Also, compression molding typically requires longer in-press cure times, and finished parts exhibit the least tolerance control of the various molding techniques.

COMPRESSION

36 Compartment O-Ring Kits

This process forms material into shape via heavy compressive force and elevated temperature.

TRANSFER

12 Compartment O-Ring Kits

The method of choice when the finished part demands tight tolerances or involves complex geometry.

INJECTION

Additional Kits

The most efficient rubber molding process for rapid production of high volume, precision parts.