Contact Information

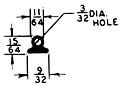
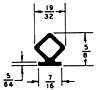
Sealing Strips

No name specified

No name specified

No name specified

No name specified

No name specified

No name specified

No name specified

No name specified

No name specified

No name specified

No name specified

No name specified

No name specified

No name specified

No name specified

No name specified

No name specified

No name specified

No name specified

No name specified